当前位置:产品中心 > V锥流量计 > V锥流量计
型 号: | DQZ |
品 牌: | J9集团技术 仪表 |
所属分类: | V锥流量计 |
所 在 地: | 上海 |
更新日期: | 2017.04.07 12:05:23 |
V锥流量计主要用来测量气体、液体和蒸汽的瞬时流量。侧重于高温、高压或低流量、低压力、混合气体等特殊工况介质。
产品描述:
V锥流量计中V型锥的圆锥形使流体的流动分散,从而使速度分布更平坦,尖形的锥体其本身就是一个流动调整器,能有效减弱速度分布中的凸形形状。使流体速度分布符合要求,有效减少上游直管的要求,降低了安装成本,适用于大多数气体、流体和蒸汽,以及高温高压应用场合,易于使用、检验和排除故障。
用户在进行V锥流量计的选型订货时,首先要给制造企业提供以下工艺参数:
被测介质的名称;·管道口径;使用场合;介质状态、温度和压力;刻度流量、最大流量、最小流量;工艺管线管径和材质,具体的安装要求。
注:上述参数是制造厂在生产之前进行详细计算的基础,没有这些参数,很难制作一台符合用户要求的V锥流量计。制造厂根据用户提供的上述参数,计算出V锥流量传感器的β值和差压值(差压变送器的量程范围)。这些工作是在制造厂由专业工程师进行计算完成。
常用型号:DQZ-A200A3-1.0SRFHC
型号注解:V锥流量计,DN200,测量介质为:,法兰连接,表体和V锥体材质均为304不锈钢,介质温度400 度,额定压力1.0MPa,法兰取压,配套高温型安装附件(截止阀一个,三阀组一个,冷凝管及冷凝器,引压管二根)。
一套完整的V锥流量计包含:V锥流量传感器、差压变送器、安装附件、安装法兰及紧固件(多自配),流量积算仪
流量计价格随选型规格、口径、配置变化影响,不是一口价产品,需要根据您的工况选型报价.
适用范围:1、蒸汽的测量
2、食品果汁的测量
3、轧钢厂排出的高温废气的测量
4、硫化厂高压锅炉风的测量
5、焦炉煤气的测量
6、常用气体、液体的测量
7、混合气、固液混合物的测量
配置说明:
V锥流量计使用说明书,下载地址://grg1995.com/xiazai/detail/149
主要优势特点
1、永久压力损失小
形成独特的局部收缩,永久压力损失小,只有几千帕,甚至零点几千帕的永久压力损失。锥体使流体轴对称地向管壁逐渐收缩,逐渐扩散的边壁节流,而锥体位于管道的中心轴线上,而有效的作用于高速中心区,在相同条件下,V锥的永久压损为孔板的25%,差压为孔板的50%,能耗小。
2、准确度高0.5%,重复性好0.1%,量程比宽10:1
由于V锥流量传感器采用“内壁逐渐收缩式”的节流方式,使得在下游侧产生的静压是高频低幅值的信号(喘流),而不是孔板等老式差压流量计量产生的是低频高幅值的信号,这使得差压变送器测量出的差压△P是低躁声的非常稳定的信号,如果在躁声大的背景下,差压变送器是没法测量出低压力,小流量的压力信号的。
3、安装所需要的直管段短
自动整流功能。安装所需要的直管段短:前直管段只需要0~3D,后直管段只需要0~1D。直管段要求低。V形锥的圆锥形使流体的流动分散,从而使速度分布更平坦,尖形的锥体其本身就是一个流动调整器,能有效减弱速度分布中的凸形形状。使流体速度分布符合要求,有效减少上游直管的要求。
4、自混合功能及自清扫功能
不堵塞不粘附,可以测量赃污流体的流量。由于锥体位于轴中心的流体的高速中心区,流体中所夹带的液滴,气泡,固体颗粒物会被自动清扫到管道下游,特别是在连续使用的状况下。
5、自保护功能
耐磨损,具有长期稳定性,不需要重复标定。 由于V形锥是一个尖形体,确保没有流体直接冲击它的下游边缘,使磨损减少,这样确保流量计的 可靠性,减少维护工作量,并延长仪表的检定周期。
6、可测量水气
压缩空气、饱和蒸汽等气体采用孔板测量时,孔板前常有积水,影响测量精确度。解决该问题的方法通常是将节流装置安装在垂直工艺管上,或改用圈缺孔板或偏心孔板。而锥体位于轴中心的流体的高速中心区的结构特点可以根本解决节流件前积水的问题,而又因为这是其固有的特点而 无需特制或特别处理,所以不会对测量造成任何不确定性。
测量原理
技术规格
1、V型锥流量计有直焊式和法兰连接式、方管式、对夹式、非标订制几种结构形式。 产品供货范围见选型表。
2、使用范围:广泛运用于油,水,气,汽各种流体,特别是一些高温高压,脏污介质的测量,明显强于其它的仪表
3、准确度等级:±0.5%
4、重复性:0.1%
5、工作压力:最大42MPa
6、工作温度:-40~700C°
7、环境温度:-40~80C°
8、量程比:通常为10:1,选用合适的差压变速器可达60:1
9、安装直管段要求:前3D直管段,后1D直管段
10、适用介质:几乎适用于所有气体、液体介质
11、公称通径:DN15~DN2000
12、结构材料材质:管道,表体法兰及V锥体可提供多种材质供用户选择,来满足不同工况的需要
13、安装方式:可提供多种附件供用户安装,满足用户的各种工况的需求,可以任意方向安装,与介质状态无关
14、防爆等级(差压变送器):隔爆、本安、不防爆可供选择(差压变送器)
15、供电电源(差压变送器):12~24VDC
16、输出信号(差压变送器):4~20mA或HART协议
常用数学公式
设计制造引用标准
V锥流量传感器设计制造引用的规范性标准文件有:
Q/VDDO-1-2014 V锥流量传感器
GB/T2624.1-2006,GB/T2624.2-2006《用安装在圆形截面管道中的差压装置测量满管流体流量》
Q/VDDO-1-2013《V锥流量传感器》企业标准里所引用的相关标准
出厂检定标准参照JJG640—1994《差压式流量计检定规程》执行
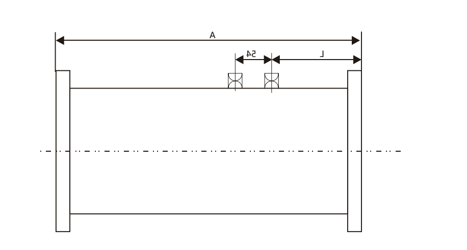
外形结构图:
外形结构尺寸
典型安装
(一)流量计在安装之前必须特别注意以下要求:
1、注意流量计的流向,不要装反。
2、所有连接件必须拧紧。所有的垫片不得突出管道内壁。
3、差压变送器的高低压口不能装反。
4、测量液体时,要防止液体中含有的气体进入并积存在导压管和变送器的测量室内。
5、测量气体时,要防止气体中可能含有的液体进入并积存在导压管和变送器测量室内。
6、测量高温液体、气体要防止高温介质损坏变送器,测量强腐蚀,易结晶,易堵塞介质,要防止腐蚀介质进入变送器。
7、差压变送器安装位置应远离电噪声,如大功率变压器、电动机、电焊机和强电源。仪表附近不能有射频干扰,否则会干扰差压变送器的正常工作。
8、流量传感器应尽量避免安装在阀门出口近处。
9、流量计避免安装在架空的长细管道上,若必须安装时,必须对安装流量计的部分进行管道固定。
10、蒸汽的测量
蒸汽的测量是流量测量难度比较大的一项工作,蒸汽的热力性质比理想气体复杂,蒸汽的热力性质至今还不能单纯用理论方法来求得其规律, 很多情况下都是采用实验的方法得出一些数据来总结一些公式,而且蒸汽的测量精度不高(GB/T17167企业能源计量器具性能要求中,对贸易结算的蒸汽准确度要求是+/-2.5%),对安装的要求尤为严格,一般安装的原则是:A)变送器的位置在任何情况下都要低于冷凝罐。B)冷凝 罐及液相导压管内完全是温度相同的液体状态。C)汽相导压管流路畅通且管内以汽相为主。
11、水平安装的V锥,其取压口按测量的介质不同可分为以下三种安装方式:
(1)测量液体流量时,取压口应向下倾斜45° ,或水平位置,防止液体里的气体和积存在导压管内或差压变送器测量室内对测量带来误差。
投用前的准备工作
1、对于气体和液体介质,零位迁移完毕后,依次缓慢打开截止阀,再缓慢打开高压阀、关闭平衡阀,打开低压阀,即可投用。
2、当介质为蒸汽时,应当待导压管内蒸汽全部冷凝成水后再开表,防止蒸汽未冷凝时开表出现振荡现象,引起损坏传感器膜盒。
为避免高温蒸汽直接通入传感器膜盒,烧坏传感器膜盒及三阀组,需按如下步骤进行操作:
零位迁移完毕后,缓慢打开高、低压,一次截止阀,逐步让蒸汽进入导压管,利用导压管及冷凝器冷却蒸汽(也可以采取用喷淋冷水的方法进行 冷却,或事先通过冷凝罐往导压管内充冷水),待导压管内蒸汽全部冷凝成水后,打开三阀组的高、低压取压阀,关闭平衡阀。必须确保蒸汽进入 传感器室的温度要控制在100℃以内。运行中不得开启平衡阀,否则高温蒸汽降烧毁膜盒和三阀组。
用户必须遵循本使用手册的指令及警告,以保证仪表的正确使用。不当的使用方法可能会对仪表造成损坏。
常见故障
售后与质保
供应的所有产品:
所有产品质保2年;
免费提供电话咨询、指导安装调试等服务;
协商上门指导安装、调试等事宜,只收取合理的差旅费用;
量大可以免费上门指导安装、调试;
服务宗旨:不管产品使用多长时间,只要您找到我们,我们都会为您解决所有问题,直到满意为止。相信我们从事流量计行业10多年的实践经验能为你带来满意的服务。