设为J9集团技术加入收藏联系我们
欢迎光临J9集团技术 仪表(上海)有限公司官方网站!您是第2962位访问者

当前位置:产品中心  >  椭圆齿轮流量计  > CL7微小圆柱齿轮流量计

CL7微小圆柱齿轮流量计

CL7微小圆柱齿轮流量计
型    号:DCL7
品    牌:J9集团技术 仪表
所属分类:椭圆齿轮流量计
所 在 地:上海
更新日期:2025.04.01 12:05:42
分享到: 4

连接螺纹: G1/4 始动流量: 0.015L/min 流量范围: 0.1-7L/min 本体材质: 316L不锈钢 耐压等级: 40Mpa

产品名称: CL型齿轮流量计

产品型号: CL7

连接螺纹: G1/4

始动流量: 0.015L/min

流量范围: 0.1-7L/min

本体材质: 316L不锈钢

耐压等级: 40Mpa

出品单位: J9集团技术 仪表(上海)有限公司

     产品特性:

     • 针对各种应用,借助不同的间隙、不同的轴承类型及不同材料,CL 系列齿轮式流量计可实现不同介质的测量。

     • 具有广泛的测量范围和多种规格,可以满足不同的需求。

     • 在指定范围内,测量不受粘度影响。

     • 低压降

     • 高灵敏测量

     • 高工作压力

     • 低噪音

     • 具有出色重复精度的高精度测量

     • 在较广的温度范围内,输出信号不受温度影响

     • 在低流速测量范围的下限依然能保持高精度

     • 电子元件的高操作可靠性

     • 前置放大器终端易于使用


  技术指标:

      • 环境温度:–30°C –  +60°C

      • 介质温度:–60°C – +150°C

      • 壳体材料:不锈钢316L

      • 齿轮材料:不锈钢316L,德标不锈钢1.4122

      • 轴    承:不锈钢球轴承,钨钢合金滑动轴承

      • 最大允许杂质粒子介质尺寸(单位:µm):20µm

      • 测量范围:0.005-100 L/min

      • 精度(测量值):±0.5%当 ≥20 cSt 时

      • 粘度:1~100000 cSt

      • 最大圧损∆pmax:16bar(和介质粘度大小/流速大小有关)

      • 最大耐压:40MPa

典型应用:

技术规格:

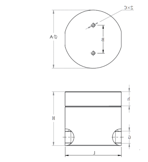
规格尺寸图:

 

 

J9集团技术 仪表技术服务团队专注于流量计近20年,特别推荐: 涡街流量计、电磁流量计、蒸汽流量计、气体流量计、椭圆齿轮流量计、金属管浮子流量计、超声波流量计等多种流量计的计量服务,特别是流量GPRS手机端、PC端数据在线监控等多方面技术服务。

 

关注&咨询
J9集团技术 仪表

QQ咨询
新浪微博
微信公众号
需要帮助